send mail to support@abhimanu.com mentioning your email id and mobileno registered with us! if details not recieved
Resend Opt after 60 Sec.
By Loging in you agree to Terms of Services and Privacy Policy
Claim your free MCQ
Please specify
Sorry for the inconvenience but we’re performing some maintenance at the moment. Website can be slow during this phase..
Please verify your mobile number
Login not allowed, Please logout from existing browser
Please update your name
Subscribe to Notifications
Stay updated with the latest Current affairs and other important updates regarding video Lectures, Test Schedules, live sessions etc..
Your Free user account at abhipedia has been created.
Remember, success is a journey, not a destination. Stay motivated and keep moving forward!
Refer & Earn
Enquire Now
My Abhipedia Earning
Kindly Login to view your earning
Support
Type your modal answer and submitt for approval
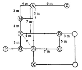
Study the following information and answer the questions. Trishaa starts walking from point A, walks 12 m to the south ad reaches point B. She then takes a left turn and walks 7 m to reach point C. She then takes a left, walks 5 m and reaches Point D. From Point D she turns left, walks 11 m and stops at point E. Point P is to the west of Point B. Rishi who is standing at point P walks for a distance equal to the shortest distance between B and E and reaches Point Q. From Point Q he takes a left turn, walks for a certain distance and reaches point E.
Mehul starts walking towards south from Point B. He walks for a certain distance to reach Point K. He then takes a left turn walks for 10 m, takes another left turn and stops after walking for 9 m. If his final position is 3 m to the east of Point D, what is the distance between Point B and Point K?
4 m
6 m
5 m
2 m
Cannot be determined
The distance between point E and K is 9m. Hence, the distance between B and K is 9 – 5 = 4m.
By: santosh ProfileResourcesReport error
Gaurav Singh
Distance between BE?
Access to prime resources
New Courses