send mail to support@abhimanu.com mentioning your email id and mobileno registered with us! if details not recieved
Resend Opt after 60 Sec.
By Loging in you agree to Terms of Services and Privacy Policy
Claim your free MCQ
Please specify
Sorry for the inconvenience but we’re performing some maintenance at the moment. Website can be slow during this phase..
Please verify your mobile number
Login not allowed, Please logout from existing browser
Please update your name
Subscribe to Notifications
Stay updated with the latest Current affairs and other important updates regarding video Lectures, Test Schedules, live sessions etc..
Your Free user account at abhipedia has been created.
Remember, success is a journey, not a destination. Stay motivated and keep moving forward!
Refer & Earn
Enquire Now
My Abhipedia Earning
Kindly Login to view your earning
Support
Type your modal answer and submitt for approval
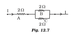
Three 2 ? resistors, A, B and C, are connected as shown in Figure 12.7. Each of them dissipates energy and can withstand a maximum power of 18W without melting. Find the maximum current that can flow through the three resistors ? ( 2- marks )
By: santosh ProfileResourcesReport error
Access to prime resources
New Courses